您当前的位置: > 产品中心 > 无尘坦克链
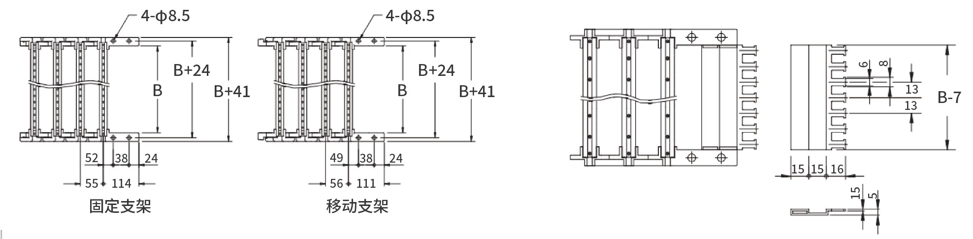
节距55mm无尘坦克链 无尘坦克链(原装进口)——节距55mm

无尘坦克链(原装进口)——节距55mm:一种专为无尘环境(如洁净室、半导体生产线、医疗设备等)设计的电缆/管线保护装置,属于拖链(坦克链)的特殊类型。其核心作用是保护电缆、气管、液压管等设备在机械运动过程中免受磨损,同时避免产生粉尘或污染物,确保环境洁净度。

关于我们
企业介绍
企业文化
企业愿景
企业资质
产品中心
无尘拖链
无尘坦克链
UV光清洁
联系我们
企业电话:18884558781
企业地址:成都郫都区红光街道港大路739号
企业邮箱:xiaogang@cdklwc.com
添加企业微信
Copyright©2024-2030 成都旷朗无尘科技有限公司 备案号:蜀ICP备2025132107号-1